|
Estimated
Cost / Time Requirements
|
| Cost
Range: |
Scrapyard
Prices: £20 > £75 |
Ford
Prices: £500 > £700 |
| Time
Range: |
Pre
Wired: 2 to 5 Minutes |
Manual
Wiring: 2 to 4 Hours |
Installing
a Trip Computer (Based on Mk1/Mk2 wiring (Mk3 not detailed))
This
is a modification you can do to mondeos that don't have a trip computer
fitted as standard. Unfortunately all mondeo trip computers are
designed for petrol engines and will not work with diesels. The
trip computer is a direct replacement (on both Mk1 and Mk2 models)
of the clock unit. Fitting the unit itself takes only a couple of
minutes but the wiring (if your car isn't pre-wired - All Mk1's
and most Mk2's) can take a couple of hours. You need to be aware
that to complete the installation of the trip computer on non-wired
cars will require you to connect to wires in the engine loom. Disconnecting
the battery is recommended for this project.
You
need:
- Small
Flat-Blade screwdriver
- Mk1
/ Mk2 Trip Computer
- FINIS
- Mk1: 93BB-10D885-AF - £697.74
- FINIS
- Mk2: 96BB-10D885-AC - £697.74
- Mk1
/ Mk2 Wiring Connector (Mk2 units use the same style connector
as the clock)
- Temperature
Sender Unit (Sits behind front bumper)
- FINIS
- 93BB-10K936-AA - £78.13
You
may need: (Depending on the wire loom in your car)
- Wire
cutters
- Soldering
or crimping facilities
- Insulating
tape
- 5
different coloured lengths of wire (Three about 3 meters in length
- Two wires about 5 meters)
- Uprated
Fuel Pump/Sender Unit with higher degree of accuracy
Mk1
Cars Only
- Mk2 Cars Only - Both Models
Please
note these instructions are given for Mk1 and Mk2 cars only.
During the 95/96 cross-over period there were some changes
which may mean you have to refer to Mk2 wiring details despite
your car being a Mk1 model. Due to the complexity of this
how-to it's been assembled in steps. Read through the entire
how-to before starting to ensure you understand exactly
what is involved and if you need to miss sections out.
|
Start
by removing your old clock. Use the flat blade
screwdriver to lever it using the small recess under the clock -
also remove the blanking plate to the right of it (Between clock
and heated front screen switch). Use
the flat blade screwdriver and carefully insert between the small
gap between clock and dash - Slowly prise out the clock taking care
not to damage the dash panel. Use some masking/insulating tape to
ensure you don't scratch it.
Unplug
the connector on the back of the clock unit and then place the clock
to one side. Examine the number of wires going
into your connector - if there are more then 5 then you have the
dash wiring for the trip computer already in place so all you should
need to do is fit the temperature sensor and replace the trip computer
to complete. There are however three parts to the wiring loom. From
ECU to Connector 1, From connector 1 to the junction box, and from
the junction box to the trip. Its the last bit you'll have in place.
All UK spec mondeos will have the wiring from ECU to connector 1
so its only the middle bit you need to check you have. Locate the
engine connector and the relevent wires (as shown below) as check
that they continue through the connector - IE, don't go to one side
of it only.
Connect
the existing wires to your trip computer connector.
Mk2 clocks and trips use the same connector so decide if you want
to use a pre-wired plug with the extra wiring already complete (cut
it off the trip computer loom in a scrapyard) or add the wiring
to the existing plug. If you want to change to the pre-wired plug
then you need to cut the old clock's plug from your car's loom (cut
as close to the plug as possible to maximise cable length) and then
crimp or solder to the same colour on the new plug. The wires you
should have on the clock connector are:
- Pin
3 - VT/YE Switched power from fuse 30 (Power Supply)
- Pin
4 - WT/RD Illumination Feed
- Pin
5 - BK/YE Ground
- Pin
11 - BK/BU 2V Pulsed from alarm (LED)
- Pin
12 - OG Permanent power from fuse 34 (Memory)
All
change over to the new connector using the same colour wiring with
the exception of:
- Clock
Connectors Pin 3 VT/YE which changes to VT on Trip Connectors
Pin 3
- Clock
Connectors Pin 5 BK/YE which changes to BK/OG on Trip Connectors
Pin 5
The
old Mk1 connector must now be cut off and discarded for the new
trip computer connector. There should be a total of 5 wires coming
from the old plug and these are shown below:
- Pin
1 - VT/YE Switched power from fuse 30 (Power Supply)
- Pin
2 - WT/GN Illumination Feed
-
Pin 3 - BK/YE Ground
- Pin
4 - BK/OG 2V Pulsed from alarm (LED)
- Pin
5 - Not used
- Pin
6 - OG/YE Permanent power from fuse 34 (Memory)
Cut
each wire off in turn and wire them to the appropriate pin of the
new connector:
- Clock
Connectors Pin 1 connects to Trip Connectors Pin 2 (Violet)
- Clock
Connectors Pin 2 connects to Trip Connectors Pin 9 (White/Red)
- Clock
Connectors Pin 3 connects to Trip Connectors Pin 12 (Black/Orange)
- Clock
Connectors Pin 4 connects to Trip Connectors Pin 6 (Black/Orange)
- Clock
Connectors Pin 6 connects to Trip Connectors Pin 1 (Orange)
With
the existing wiring connected to your new plug connect the trip
computer and test it works (remember to reconnect the battery) You
should have a fully functional clock, stopwatch and calendar. Turn
on the lights and check that the unit illuminates (Mk2
trips are constantly lit with the ignition and don't show a noticeable
difference). If all appears to be working
correctly then disconnect the battery again and unplug the trip
computer to complete the wiring.
The
trip computer needs to know the following additional information.
1) Amount of fuel left in the tank. 2) Current vehicle speed. 3)
Fuel consumption (fuel flow) and 4) External temperature
The
temperature sensor is an additional unit that sits behind the front
bumper to measure external temperature without influence from engine
heat. Being as there is no "External" show on the trip
computer - it simply shows the temperature) you can decide here
if you want to have external or internal temperature indication.
If you have, or plan to have, the auxiliary warning module then
you should have the temp sender on the outside, in order for the
ice and frost warning lights to be effective. If you don't plan
on having the aux module then you can mount the temp sender on the
inside and have it monitor your cabin temperature instead.
You
need to take a total of 4 wires out to the engine bay (2 if you
are having the temp sender inside) so wrap them together in a small
loom. Use two of the 3 meter wires and two of the 5 meter wires
for this cable run, the longer two wires need to reach down to the
front bumper for the temp sender. This could be classed as the trickiest
part of the non-wiring operation as you need to get your mini loom
through the bulkhead and sound-deadening material. It's almost impossible
to pass it from the cabin to the engine bay so open the bonnet and
locate the large rubber grommet in the top right corner of the engine
bay. Cut a small slit in the grommet in which to pass your own loom.
EXTREME care is required here, if you cut into the existing loom
then you'll probably sever the main power feed to the passenger
fuse box!!! If you don't fancy cutting the grommet then you can
peal it away from the bulkhead and pass your wiring down behind
it. Just be aware that if you do this then you risk the chance of
water being able to enter the bulkhead/cabin so use some sealer
afterwards.
Remove
the glovebox and you should be able to look up and see if your new
wiring loom has come through, if not then you'll need to try again
(get someone to help). When its in the cabin make sure it can reach
up to the trip computers location with a little excess to compensate
for any errors.
Working
back in the engine bay you need to take the two longer wires down
to just behind the front bumper. Although there is a proper mounting
position for the temperature sender you can mount it anywhere you
choose. I ran mine down the passenger side and mounted it just in
front of the horn in the lower left corner of the engine. As long
as its far enough away from the engine to not be effected by the
heat then you should be ok. If you don't use the proper mounting
location then you'll have to use a cable tie to secure the sender.
Connect the two wires from the temperature sender to the two wires
you have just run down and note the colours. Working back at the
trip computer's plug you need to connect them to
- Pin
13 BN/YE
- Pin
14 WH/BK
If
you have the auxiliary warning module already in place then you'll
already have the temperature sender installed but wired to that
instead. In this case I would recommend installing a second temperature
sender (or splice wires from the existing one) rather then have
to disconnect wires and re-route some of the wiring from the auxiliary
warning module.
When
splicing into wires in the engine bay compartment remember that
they are subject to weather conditions. You must either crimp or
solder the connections and make sure they are 100% insulated.
The
other two wires go to the large connector just to the left of the
passenger side suspension turret. You'll either have 3 small oval
connectors here (Early Mk1) or one large square one. In this connector(s)
you'll find signals from the VSS (Vehicle Speed Sensor) and from
the EEC's fuel flow monitor. It's worth noting
that most Mk2 car's have the VSS signal already in the car feeding
the speedo and the radio (if speed sence is active). Only
Mk1 car's with the auxiliary warning module will have the VSS signal
present in the cabin. If you want to find the VSS cable on
the back of the radio or behind the instrument cluster (WH/BU) then
you can splice it at this point rather then back in the engine bay
- you'll still need to connect the fuel flow wire to the engine
connector.
Now
this is the trickiest part of the wiring operation as you have to
identify the two wires in this connector out of about 40! Whilst
is looks like a nightmare, if you take your time and work over the
connector methodically you'll find it's actually pretty easy to
ID the correct wire. Just remember that there are some colour repeats
so take your time and make sure you count the correct number of
wires. We'll start with the Mk2 (Note
some late Mk1's also use this connector type) Square type
connector and the VSS signal. The pin you are looking for in number
5 and is colour coded WHITE/BLUE. This is the easier one to find
as the square connector only has 2 WH/BL wires in it. One running
through an outter edge pin (the one we want) and the other coming
from the centre of the connector. The second we need is a solid
white wire running through pin 10 of this connector. Pin 10 is also
on an edge and is at the bottom of the row next to the VSS signal.

The
colours shown are what SHOULD be at the relevant pins, however Ford
have a habit of changing wiring colours for no apparent reason so
don't be alarmed if one or possibly two of the help wires are incorrect.
Just ensure that PIN5 is WHITE/ BLUE and PIN10 is SOLID WHITE.
SQUARE
CONNECTOR NOTE: Cars made from Aug 1998 have a different engine
loom fitted, as a result the pin locations are different. Pin 28
(Solid White) is the fuel flow wire and Pin 13 (White/VIOLET) is
the VSS Signal.
The
earlier Mk1 cars will probably have 3 oval connectors in place of
the larger square type. You need the top-most connector. Access
can be a little tricky if you have the factory intake system as
the filter chamber blocks access. The connectors all slide off the
pins which aids access a little. On the top connector you'll find
the wires you require
 
Look
at the connector from the engine side and you should be able to
see the two wires you need to connect to. Pin 2 (White/Blue) is
the VSS signal and is the only White/Blue coloured wire on the connector.
Pin 7 (Solid White) is the Fuel Flow signal - make sure you get
the correct one as there are two white wires on this connector.
Its NOT the one next to the VSS signal wire! Be sure to insulate
the joints well and then return to the back of the trip computer
to finish the wiring at this end.
The
VSS signal needs to go into pin 14 (White/Black) of the trip computer
module. The Fuel Flow signal connects to pin 10 (White).
Working
back at the trip computer connector you need to take your VSS Signal
into pin 1 (White/Black) and the Fuel Flow signal connects to pin
9 (White)
With
these wires connected you should have the average speed, odometer,
current MPG and average MPG gauges all working. The only one left
to connect is for the "Amount of Fuel left in tank". Now
I wired a Mk2 trip computer into my Mk1 so I know this works for
that and Mk2 cars. Mk1 trip computers may or may not work with this
final connection (Anyone who tries it and it works then tell me!)
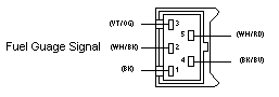
Under
the rear seat base cushion you'll find a circular rubber mat with
some wiring coming out of it, prise up the rubber and you'll see
the above connector. Take a feed from the the middle pin of the
side with 3 pins and run it back to your trip computer. This wire
feeds the fuel gauge in the cluster so you could splice it from
this point if you don't want to run a long cable up to the trip.
Colour variations do occur so don't worry to much what colour the
wire is, just make sure its the middle pin. The Amount Of Fuel remaining
signal is just a rough estimate on models without the trip as standard,
you can use this signal to get a reading on the range function of
the trip computer but don't expect it to be all that accurate unless
you change the fuel tank sender.
Mk1
cars apparently have a very different sender for the trip computer
which incorporates another two pins into the fuel pumps sender,
therefore if you have to change the fuel pump in the Mk1 for the
Mk1 trip version you will need to rewire the entire connection.
Back
at the trip computer you need to connect this new wire to pin number
11 (White/Black) of the trip computer. Pin 3 (Wh/Bk) is taken to
Pin 17 of the auxiliary warning module to provide temperature information.
Pin 15 (Wh/Gn) is taken to the instrument interface module (Pin5)
to provide a "chime" when you run low on fuel. (50miles
remaining)
Back
at the trip computer you need to connect this new wire to pin number
8 (White/Black) of the trip computer. Pin 6 (Wh/Bk) is taken to
Pin 4 of the auxiliary warning module to provide temperature information.
Pin 10 (Wh/Gn) is taken to the instrument interface module to provide
a "chime" when you run low on fuel. (50miles remaining)
Here
is the wiring connectors for both Mk1 and Mk2 trip computers so
you can work out which wire you need to connect to if you haven't
obtained the plugs.
Mk1:

Mk2:

|